在水利工程、市政排水、农田灌溉等场景中,方形铸铁闸门因其结构稳固、密封性好、耐腐蚀性强而广受青睐。然而,再优质的设备若安装不当,也会大大削弱其性能与寿命。近年来,“方形铸铁闸门安装方法视频”成为工程技术人员和施工人员获取实操知识的重要途径。通过直观的视频演示,安装过程变得清晰易懂,有效降低了施工出错率,提升了工程效率。
为什么需要看安装方法视频?
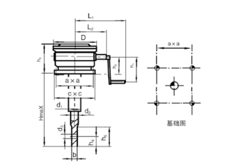
想象一下,你手握一台**的机械手表,却不知道如何正确组装齿轮——即便零件再优质,也无法**走时。方形铸铁闸门的安装也是如此。它不是简单的“放进去、拧紧螺栓”就能完事的工程,而是涉及“基础校平、密封处理、启闭机对位、二次灌浆”等多个关键步骤的系统工程。
通过“方形铸铁闸门安装方法视频”,施工人员可以直观看到每一步的操作细节:比如如何用水平仪校准门框垂直度,如何在预埋螺栓时预留调整空间,以及如何测试闸门启闭是否顺畅。这些细节在文字说明中容易被忽略,但在视频中一目了然。
核心特性决定安装精度
方形铸铁闸门之所以广泛应用于中小型水工建筑,得益于其三大核心特性:
高强度铸铁材质:通常采用HT200或HT250灰口铸铁整体铸造,抗压强度可达200MPa以上,能承受高水头压力;
自密封结构设计:门体与门框采用“凹凸槽+橡胶止水带”配合,闭合时如同“盖上饭盒盖”,实现滴水不漏;
模块化安装接口:预留启闭机连接孔位和地脚螺栓孔,便于与手轮、电动推杆等驱动装置对接。
这些特性决定了安装时*须做到“严丝合缝”。例如,门框若倾斜超过2mm/m,就会导致密封不均,长期运行可能引发漏水甚至卡死。


安装关键参数一览
为确保安装质量,以下为常见方形铸铁闸门的技术参数参考:
注:CJ/T 3006-1992《闸门 曲面铸铁闸门》为行业**性标准,规定了铸铁闸门的设计、制造与检验要求。*
实用价值:从“会装”到“装好”
观看“方形铸铁闸门安装方法视频”不仅是学习步骤,更是掌握“工艺标准”的过程。例如,视频中常强调“先点焊固定,再精调,*后满焊”,这正是防止热变形的关键;又如“二次灌浆使用无收缩高强水泥”,能确保闸门基础稳固,避免沉降导致泄漏。
此外,视频还能帮助用户识别常见误区:如直接用锤击强行校正门框,会导致铸铁开裂;或忽略止水橡胶的预压缩量,影响密封效果。
结语
“方形铸铁闸门安装方法视频”不仅是一段教学内容,更是连接产品性能与工程实效的桥梁。它让复杂的安装流程变得可视化、标准化,帮助施工人员从“照着做”升级为“懂原理地做”。无论是新手还是老技工,都能从中获得提升。选择优质闸门,更要掌握正确安装方法——唯有如此,才能让这一“水工守护者”真正发挥其持久可靠的实用价值。
联系电话
微信扫一扫